Incoloy825球閥產品概述
Incoloy825球閥是一種左右閥體、金屬閥座和球體及閥桿等主要零部件采用Incoloy 825或Alloy 825及UNS N08825等鑄件或鍛件制造而成,在氧化和還原環境下都具有抗酸和堿金屬腐蝕性能的鎳基合金球閥,該閥主體部件所使用的材料屬含少量鉬、銅和鈦的鎳-鐵-鉻固溶強化合金,化學成分為Ni:38.0%~46.0%、Cr:19.5%~23.5%、Fe:余量、C:≤0.05、Mn:≤1.0、Si:≤0.5、Mo:2.5%~3.5%、Cu:1.5%~3.0%、S:≤0.03、Al:≤0.2、Ti:0.6%~1.2%,具有耐腐蝕、強度高和抗高溫氧化性能,其中的高Ni含量使它提高了抗氯離子應力腐蝕開裂的抗力,高Cr成分則提供耐氧化性環境的能力,添加2.5%~3.5%的Mo是為了在水腐蝕用途中提高抗點蝕作用的能力,0.6%~1.2%的Ti起穩定化作用,1.5%~3.0%的Cu是賦予其抗硫酸腐蝕的性能,所以,本產品在各種介質中的耐蝕性都很好,包括如硫酸、磷酸、硝酸和有機酸,堿金屬如氫氧化鈉、氫氧化鉀和鹽酸溶液等,適合安裝在許多還原性和各種氧化性介質管路系統中用于截斷或接通介質流。
Incoloy825球閥部件材料
| 序號 | 部件名稱 | 材料名稱 | |||
| 1 | 左 閥 體 | INCOLOY 825 | ALLOY 825 | B564 UNS N08825 | B425 UNS N08825 |
| 2 | 右 閥 體 | INCOLOY 825 | ALLOY 825 | B564 UNS N08825 | B425 UNS N08825 |
| 3 | 閥 座 | R-PTFE、PTFE、TEFLON、NYLON、PPL、PEEK、DEVLON、INCOLOY825+HF | |||
| 4 | 球 體 | INCOLOY 825 | ALLOY 825 | B564 UNS N08825 | B425 UNS N08825 |
| 5 | 閥 桿 | INCOLOY 825 | ALLOY 825 | B564 UNS N08825 | B425 UNS N08825 |
| 6 | 填 料 | GRAPHITE、R-PTFE、PTFE、TEFLON、PCTFE | |||
| 7 | 螺 栓 | A193 B8M | A193 B8M | A193 B8M | A193 B8M |
| 8 | 螺 母 | A194 8M | A194 8M | A194 8M | A194 8M |
Incoloy825球閥性能規范
| 公稱壓力Class | 600 | 900 | 1500 | 2500 |
| 殼體試驗壓力(MPa) | 16.5 | 22.5 | 39.2 | 65.2 |
| 高壓液體密封試驗壓力(MPa) | 12.1 | 16.5 | 28.6 | 47.75 |
| 低壓氣體密封試驗壓力(MPa) | 0.4~0.7 | 0.4~0.7 | 0.4~0.7 | 0.4~0.7 |
| 設計制造 | ASME B16.34-2013、API 608-2008、API 6D-2014 | |||
| 結構長度 | ASME B16.10-2017、API 6D-2014 | |||
| 連接法蘭 | ASME B16.5-2017、ASME B16.47-2017、ANSI B16.5-2013等 | |||
| 檢驗試驗 | API 598-2016、API 6D-2014 | |||
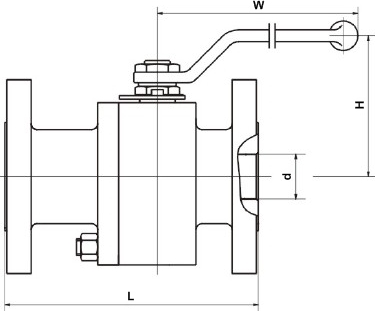
Incoloy825球閥主要尺寸
| 公稱壓力 Class | 公稱尺寸 NPS | 外形尺寸/mm | 公稱壓力 Class | 公稱尺寸 NPS | 外形尺寸/mm | ||
| d | L | d | L | ||||
| 1500 | ? | 13 | 216 | 2500 | ? | 13 | 264 |
| ? | 19 | 229 | ? | 19 | 273 | ||
| 1 | 25 | 254 | 1 | 25 | 308 | ||
| 1 ? | 32 | 279 | 1 ? | 32 | 349 | ||
| 1 ? | 38 | 305 | 1 ? | 38 | 384 | ||
| 2 | 49 | 368 | 2 | 42 | 451 | ||
| 表中未列出的其他規格尺寸,請咨詢汗越閥門技術部! | |||||||
Incoloy825球閥結構圖


